張力傳感器是感受、檢測張力的敏感器件。
STS型張力控制器是把張力變成微位移,再把微位移轉換成微電壓的器件。
主要技術指標:
額定負載:150N、300N、500N、1000N、2000 N (牛頓)
適用負荷方向:壓迫或引升
安裝方式:基座、懸掛、側壁
連接電纜:4芯屏蔽電纜線(3—6m)
工作電源:5V(輸入)/0~±200mV(輸出)
適用環境:0—40℃
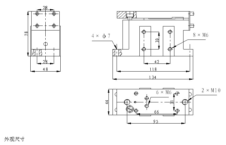
外形尺寸:134×48×78(mm)
重量:1.8Kg
選型
型號 | 負 荷 (N /牛頓) | 電源 | 輸 出 | 后綴 |
STS | 50、150、 300、500、1000、2000 | 5VDC | 0~±200mV |

STS張力傳感器:
該張力傳感器是通過導輥和軸承座施加負載,使板簧如下圖形變,然后通過差動變壓器檢測出張力,由于板簧的位移量極小,大約±200um,故又稱微位移型張力傳感器。傳感器采用差動變壓器結構,溫度穩定性好,線性度高。
功能特點
1、傳感器直接采用進口高端套件組裝,零點穩定,絕無力值漂移現象;與原裝進口傳感器品質相同,可與三菱公司LX-030TD、LX-050TD等張力傳感器互換。
2、當選型為--X型時,傳感器輸出標準變送信號,可直接將檢測的張力信號輸出給PLC;
STS型張力傳感器主要技術指標:
STS-015 | STS-030 | STS-050 | STS-100 | STS-200 | |
額定負荷 | 150N | 300N | 500N | 1000N | 2000N |
負荷方向 | 拉壓 | 拉壓 | 拉壓 | 拉壓 | 拉壓 |
安裝方式 | 基座、懸掛、側掛 | 基座、懸掛、側掛 | 基座、懸掛、側掛 | 基座、懸掛、側掛 | 基座、懸掛、側掛 |
連接電纜 | 4芯屏蔽電纜 | ||||
工作電源 | 5V/20mA | 5V/20mA | 5V/20mA | 5V/20mA | 5V/20mA |
輸出信號 | ±150mV | ±150mV | ±150mV | ±150mV | ±150mV |
標準電流信號(0-20mA)可轉化為0-5V或0—10V的標準信號,輸出信號為共陰極 | |||||
| 使用環境 | 0-40cC | ||||
外形尺寸 | 134mmx48mmx78mm | ||||
重量 | 約1.8Kg | ||||
